Welches Material für Radachse
-
-
Hatten das gleiche Problem. Hab dann alles auf 15mm umgebaut und ne Achse aus 16MnCr5 gedreht, doch die hat es auch verbogen. Dann hab ich den Abstand zwischen Lager und Aufnahme an der Schwinge verringert und wieder auf 12mm umgebaut, seitdem kein Problem mehr.Puch Maxi für Crossrennen!!!! Macht einfach Spaß!!!!
-
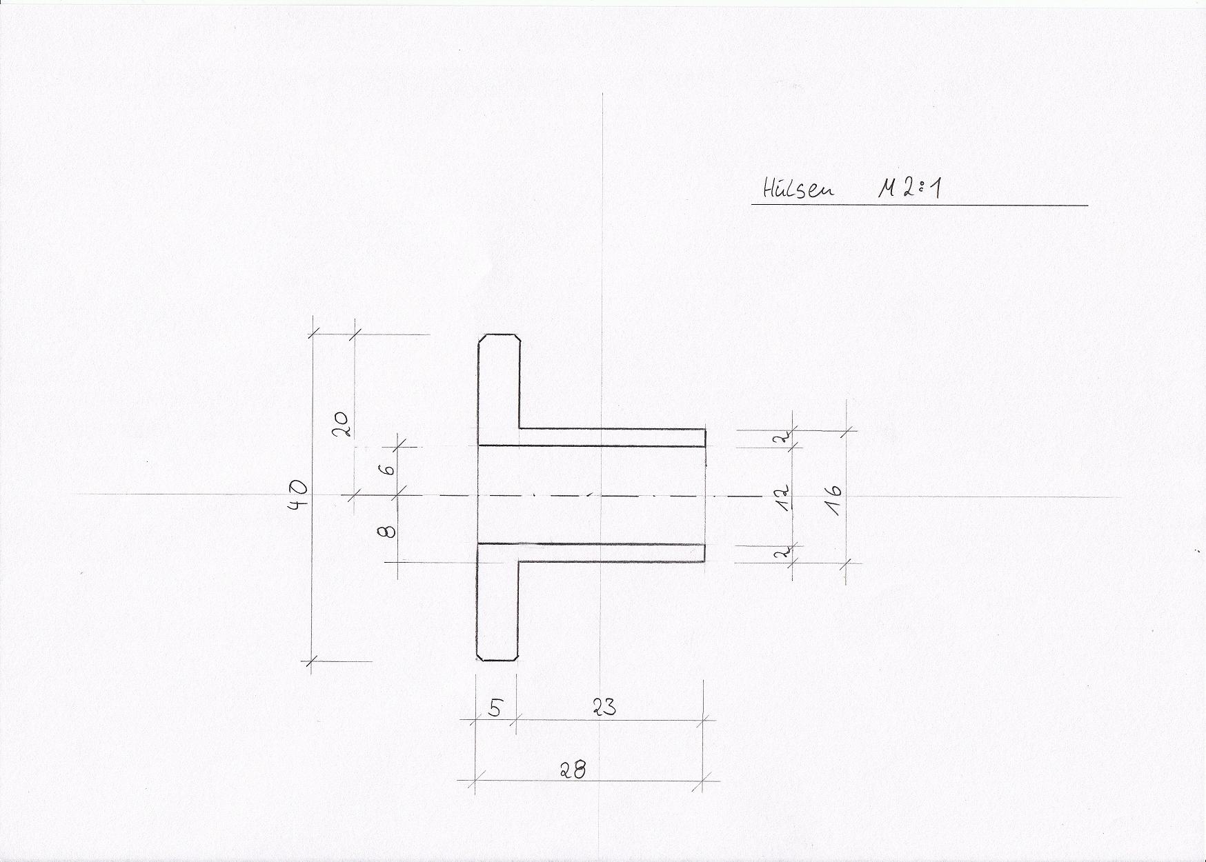
Hier mal als Beispiel nen Schnitt von einer Distanzhülse... die aus Stahl gedreht, dann sollte nichts mehr passieren... der große Krangen verhindert ein knicken...
-
-
Das Bild dient nur als Beispiel... vielleicht hätte ich die Maße rausstreichen sollen...die Wandstärke ist bei mir mittlerweile auch nicht mehr nur 2mm sondern 5mm... ich hatte das anfangs mal so geplant, um einen Simmerring darüber zu bekommen... als ich das fertige Teil dann in der Hand hatte, habe ich es gleich wieder weggelegt und noch mal dicker machen lassen... es war mir dann mit 2mm nämlich auch zu filigran geworden...
Der Kragen sollte so groß wie möglich sein... je größer der Kragen, umso kleiner die Hebelkräfte die auf die Achse wirken... ich weiß ja nicht wie deine Schwinge dort aussieht... -
-
-
-
Interessant, wo bekommt man solche hochfesten 12.9 Schrauben?
Warum Feingewinde? Ist das bei so einer Anwendung nicht egal?
Hatte nicht vor die Achsen aus 42CrMo4V zu härten. Das härten selbst könnte ich mit dem Autogen Schweißbrenner machen, aber das Anlassen... Was passiert eigentlich wenn ich so ein Material nicht Anlasse? -
-
Schrauben bekommst du beim Schrauben Jäger.
Feingewinde weil größerer Spannungsquerschnitt und damit höhere Belastbarkeit. Das Gewinde ist etwas selbsthemmender.
Härten würde ich die auch nicht, bzw. wenn dann härten und vergüten.
Wenn du sowas nicht anlässt kannst du, übertrieben gesagt, die welle nacher an der tischkante kaput schlagen.
Das Anlassen bewirkt halt das die Spannungen raus gehen und das Material wieder zäh wird.
Lass das lieber mit dem Schweißbrenner sein. Gibs lieber jemandem mit Erfahrung bei sowas.
-
Fürs erste werde ich die Achse aus 42CrMo4V ohne härten versuchen.
Die passende VA Schraube hab ich beim Schrauben Jäger nicht gefunden, zumindest nicht im Shop.
Brauche eine Länge von 220mm.
Die selfmade Achsen aus Rundmaterial gehen meisten nur sehr ungern durch die Radlager, deswegen schmirgel ich sie etwas ab.
Macht ihr das auch so? Was für ein Spiel wäre zwischen Lager und Achse zu empfehlen? -
-
-
-
Teilen
- Facebook 0
- Twitter 0
- Google Plus 0
-
Reddit 0
-
Benutzer online 1
1 Besucher
-
Ähnliche Themen
-
Information
