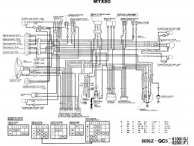
Honda MTX 80 Schaltplan
-
-
Moie,
Guck mal ob du damit was anfangen kannst. Ich kann dir die Datei auch gerne per email schicken.Mfg Kreidlerheizer
Kreidlerheizers Corner jetzt Neu Abholshop für Simson Ersatzteile. Preiswert, persönlich, gut
Im Zweifelsfall- Vollgas!!- Wenn`s dich dann zerlegt, sieht es wenigstens spektakulär aus.Dieser Beitrag wurde bereits 2 mal editiert, zuletzt von „Kreidlerheizer {MMO}“ ()
-
-
Ich hatte vor kurzem eine MTX da, die war Baujahr 1984 glaube ich, da hat er gepasst, zumindest an den Stellen die ich gebraucht habe. Schätze mal das sich das nicht so unterscheidet wenn man ne neuere hat.Mfg Kreidlerheizer
Kreidlerheizers Corner jetzt Neu Abholshop für Simson Ersatzteile. Preiswert, persönlich, gut
Im Zweifelsfall- Vollgas!!- Wenn`s dich dann zerlegt, sieht es wenigstens spektakulär aus.Dieser Beitrag wurde bereits 1 mal editiert, zuletzt von „Kreidlerheizer {MMO}“ ()
-
Hallo erstmal danke hab hier eine honda die baugleich ist ! hatte auch propleme mit der elektrik da war en prpofi am werk

wen ich den schaltplan richtig lese ist Grün masse aber wiso kommt sie dann mit aus der cdi ?
Da ich die Honda nur im feld fahren will (keine papiere kein lappen usw) müsste ich doch eigendlich nur Gelb schwarz und grün an die cdi anschließen und es müsste gehn oder ?
mfg Mhöb -
-
-
-
Hallo, guck dir oben den Schaltplan an, danach musst du verkabeln. Im Netz gibt es auch welche für die MT5. Ein bisschen Grundwissen musst du schon haben, aus der Ferne ist das immer schwierig =)Mfg Kreidlerheizer
Kreidlerheizers Corner jetzt Neu Abholshop für Simson Ersatzteile. Preiswert, persönlich, gut
Im Zweifelsfall- Vollgas!!- Wenn`s dich dann zerlegt, sieht es wenigstens spektakulär aus. -
also du möchtest erstmal nur nen zündfunken an der kerze haben? das ist eingentlich nicht weiter schwierig, alles was du brauchst kannst du aus dem schaltplan rauslesen.
bis auf 2 kabel wird die cdi mit der zündung/lima verbunden.
eines kommt an die zündspule und das letzte bleibt frei, das ist der absteller.
ich hab das so verbaut an meinem minimoped mit honda motor, da ist nix dran außer ner zündspule cdi und limaGeschwindigkeit gibt Sicherheit!
-
Teilen
- Facebook 0
- Twitter 0
- Google Plus 0
-
Reddit 0
-
Benutzer online 1
1 Besucher
-
Information